TXZC2型智能壓力控制器
發布時間:2015-01-27 05:33:42 點擊:1267
一、概述
TXZ是采用德國傳感器采集技術,加之高精度工業線路元件集合而成的具有高穩定性,無觸點型的智能電子壓力開關。
應用領域
l 泵及壓縮機
l 水處理系統
l 機電自動化
l 工程機械
l 液壓與氣動系統
l 醫用設備
對比電接點表、機械壓力開關的優勢
l 精度高
l 重復性好
l 壽命長,無膜片、無觸點
l 耐腐蝕性強
l 設定靈活方便
l 顯示直觀
l 溫漂小
二、基本參數


三、選型表

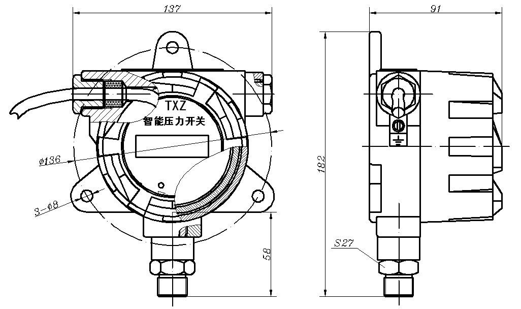
四、尺寸圖
下一篇:TXZC3型智能壓力控制器
