500/7DZ雙觸點壓力控制器
發布時間:2013-05-11 02:42:04 點擊:1290

產品詳細:
簡介:
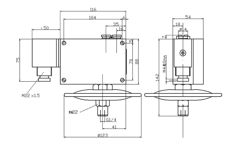
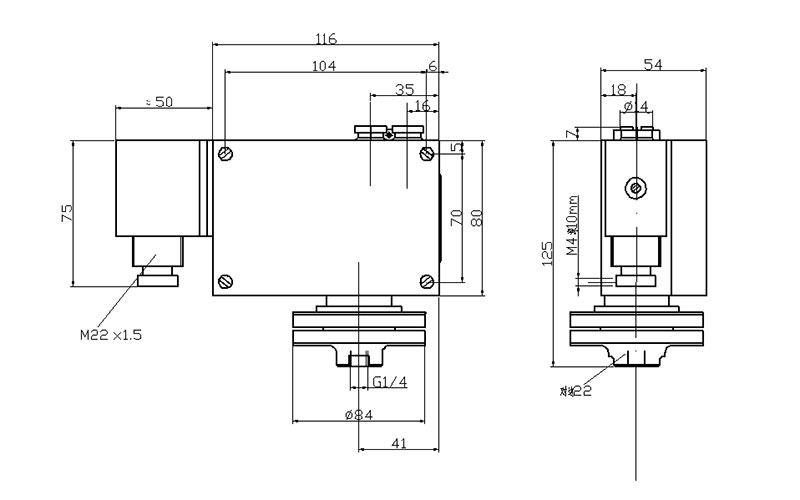
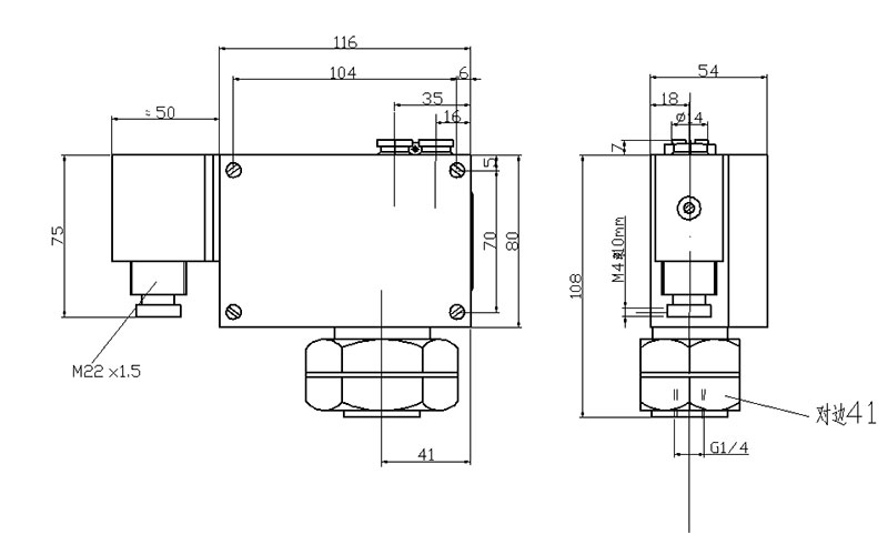
500/7DZ雙觸點壓力控制器采用膜片式傳感器,可用于中性氣體、液體介質??刂破鞯脑O定值可調,調節范圍0~2.5MPa。
主要技術性能:
規格:500/7D切換差不可調
尺寸圖
01
02
03
下一篇:501/7DZ雙觸點壓力控制器


簡介:
500/7DZ雙觸點壓力控制器采用膜片式傳感器,可用于中性氣體、液體介質??刂破鞯脑O定值可調,調節范圍0~2.5MPa。
主要技術性能:
規格:500/7D切換差不可調
尺寸圖
01
02
03
下一篇:501/7DZ雙觸點壓力控制器