YWK-7DD差壓壓力控制器
發布時間:2013-06-26 02:04:32 點擊:1325

產品詳細:
簡介:
YWK-7DD差壓控制器采用膜片及活塞結合形成的傳感器,能耐較高的靜壓,適用于空氣、氣體等中性氣體和潤滑油、輕燃油等液體介質。控制器的差壓設定值可調,調節范圍70~300KPa。YWK-7DD差壓控制器結構緊湊小巧,尤為適用于對安裝空間要求苛刻的場合。
特點:
YWK-7DD差壓控制器超小型設計,開關動作頻率高(100次/分鐘),抗振性好。
主要技術性能:
規格:切換差不可調
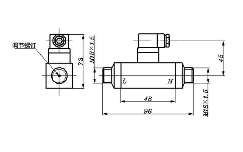
尺寸圖
01
02
下一篇:沒有了!
