511/7D壓力控制器
發布時間:2015-01-29 07:08:50 點擊:984

產品詳細:
簡介:
511/7D壓力控制器采用波紋管式的傳感器,可用于腐蝕性氣體和液體介質。511/7D壓力控制器的設定值可調,調節范圍-0.1~6.3MPa。
特點:
511/7D壓力控制器使用溫度范圍大,可用于腐蝕性介質。
主要技術性能:
規格:切換差可調
規格:切換差不可調
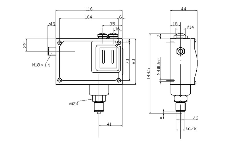
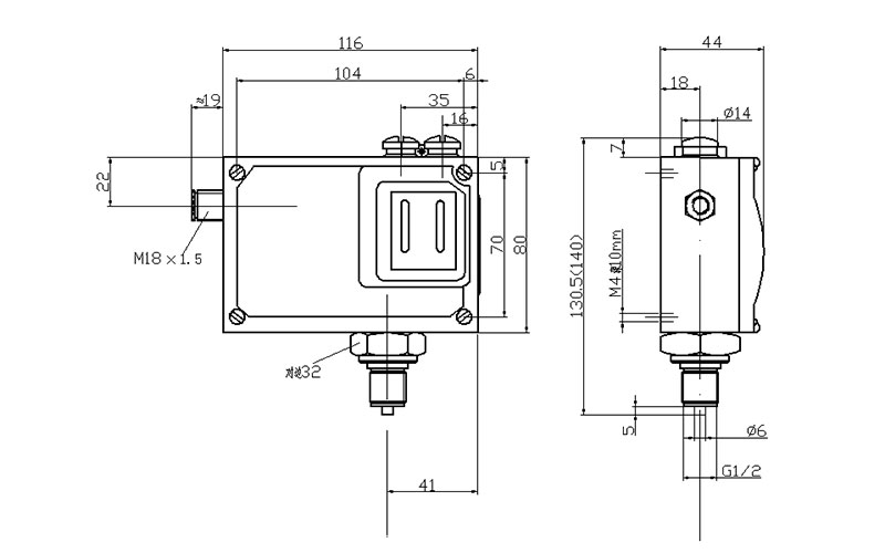
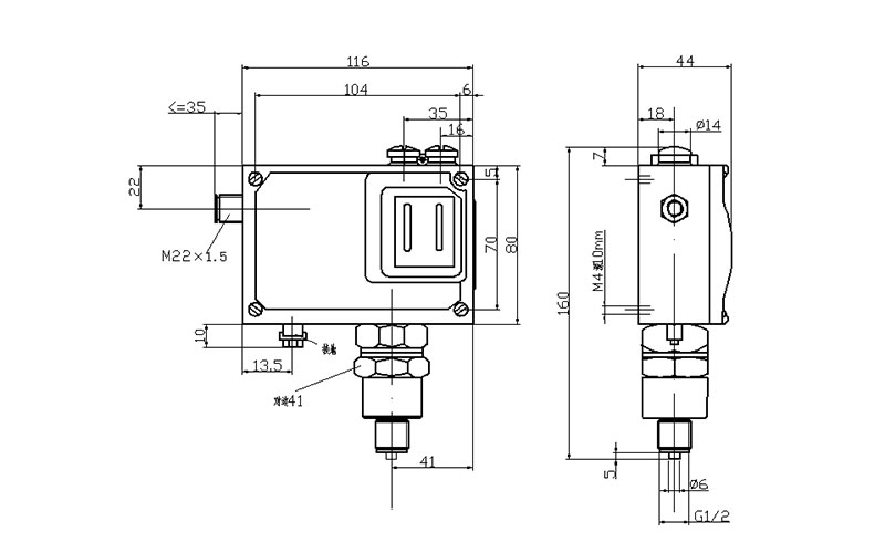
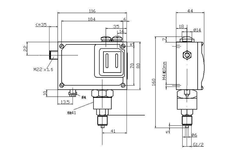
尺寸圖
01
02
03
04
05
06
下一篇:512/9D壓力控制器


簡介:
511/7D壓力控制器采用波紋管式的傳感器,可用于腐蝕性氣體和液體介質。511/7D壓力控制器的設定值可調,調節范圍-0.1~6.3MPa。
特點:
511/7D壓力控制器使用溫度范圍大,可用于腐蝕性介質。
主要技術性能:
規格:切換差可調
規格:切換差不可調
尺寸圖
01
02
03
04
05
06
下一篇:512/9D壓力控制器